ベアリング
特集
ベアリングとは軸受とも呼ばれる伝導機器です。
-
機械を動かす時に回転などの動きがありますが、 軸が壊れてしまわないようにベアリングを取り付けて 荷重を引き受ける役目を担っています。 深溝玉軸受や針状ころ軸受などいろいろな種類があり、 耐久度を高めるために高炭素クロム鋼などが使われています。 使い方としては軸に刺して取り付けるものが多く、 工場などの現場で使われているのはもちろん、 バイクや家庭用のポンプなどにも使用されています。
-
ベアリングの種類と特徴
-
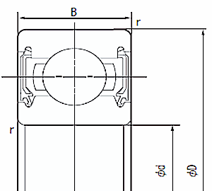
①開放形
ベアリングの側面が開いていて内部が
見えている物です。
-
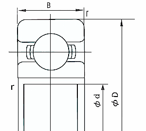
②接触シールド形
鋼板に合成ゴムを固着したシール板を
外輪に固定し、シール先端部は内輪
シール面のV溝側面に接触している。
-
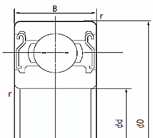
③シールド形
金属のシールド板を外輪に固定して
密封し、内輪シール面のV溝との
ラビリンス隙間を形成。
左右にスクロールできます。
| 呼び番号 | 内径㎜ | 外径㎜ | 厚さ㎜ | 形状 | 型番 | 主要寸法(㎜) | 基本 動定格荷重 Cr(N) |
基本 静定格荷重 Cor(N) |
グリース潤滑 | ||||
|---|---|---|---|---|---|---|---|---|---|---|---|---|---|
| d | D | B | r (最小) |
2NSE9 | 2NKE9,ZZE | ||||||||
| 6000 | 10 | 26 | 8 | 開放形 | 6000 | 10 | 26 | 8 | 0.3 | 4,550 | 1,970 | 22,000 | 30,000 |
| 接触シール形 | 6000-2NSE | ||||||||||||
| シールド形 | 6000ZZE | ||||||||||||
| 6200 | 10 | 30 | 9 | 開放形 | 6200 | 10 | 30 | 9 | 0.6 | 5,100 | 2,390 | 18,000 | 25,000 |
| 接触シール形 | 6200-2NSE | ||||||||||||
| シールド形 | 6200ZZE | ||||||||||||
| 6300 | 10 | 35 | 11 | 開放形 | 6300 | 10 | 35 | 11 | 0.6 | 8,100 | 3,450 | 17,000 | 23,000 |
| 接触シール形 | 6300-2NSE | ||||||||||||
| シールド形 | 6300ZZE | ||||||||||||
| 6001 | 12 | 28 | 8 | 開放形 | 6001 | 12 | 28 | 8 | 0.3 | 5,100 | 2,390 | 18,000 | 28,000 |
| 接触シール形 | 6001-2NSE | ||||||||||||
| シールド形 | 6001ZZE | ||||||||||||
| 6201 | 12 | 32 | 10 | 開放形 | 6201 | 12 | 32 | 10 | 0.6 | 6,800 | 3,050 | 17,000 | 22,000 |
| 接触シール形 | 6201-2NSE | ||||||||||||
| シールド形 | 6201ZZE | ||||||||||||
| 6301 | 12 | 37 | 12 | 開放形 | 6301 | 12 | 37 | 12 | 1 | 9,750 | 4,250 | 16,000 | 20,000 |
| 接触シール形 | 6301-2NSE | ||||||||||||
| シールド形 | 6301ZZE | ||||||||||||
| 6002 | 15 | 32 | 9 | 開放形 | 6002 | 15 | 32 | 9 | 0.3 | 5,600 | 2,840 | 15,000 | 24,000 |
| 接触シール形 | 6002-2NSE | ||||||||||||
| シールド形 | 6002ZZE | ||||||||||||
| 6202 | 15 | 35 | 11 | 開放形 | 6202 | 15 | 35 | 11 | 0.6 | 7,650 | 3,700 | 15,000 | 20,000 |
| 接触シール形 | 6202-2NSE | ||||||||||||
| シールド形 | 6202ZZE | ||||||||||||
| 6302 | 15 | 42 | 13 | 開放形 | 6302 | 15 | 42 | 13 | 1 | 11,400 | 5,400 | 13,000 | 17,000 |
| 接触シール形 | 6302-2NSE | ||||||||||||
| シールド形 | 6302ZZE | ||||||||||||
| 6003 | 17 | 35 | 10 | 開放形 | 6003 | 17 | 35 | 10 | 0.3 | 6,000 | 3,250 | 14,000 | 22,000 |
| 接触シール形 | 6003-2NSE | ||||||||||||
| シールド形 | 6003ZZE | ||||||||||||
| 6203 | 17 | 40 | 12 | 開放形 | 6203 | 17 | 40 | 12 | 0.6 | 9,550 | 4,800 | 12,000 | 18,000 |
| 接触シール形 | 6203-2NSE | ||||||||||||
| シールド形 | 6203ZZE | ||||||||||||
| 6303 | 17 | 47 | 14 | 開放形 | 6303 | 17 | 47 | 14 | 1.0 | 13,600 | 6,550 | 11,000 | 16,000 |
| 接触シール形 | 6303-2NSE | ||||||||||||
| シールド形 | 6303ZZE | ||||||||||||
| 6004 | 20 | 42 | 12 | 開放形 | 6004 | 20 | 42 | 12 | 0.6 | 9,400 | 5,000 | 11,000 | 18,000 |
| 接触シール形 | 6004-2NSE | ||||||||||||
| シールド形 | 6004ZZE | ||||||||||||
| 6204 | 20 | 47 | 14 | 開放形 | 6204 | 20 | 47 | 14 | 1.0 | 12,800 | 6,600 | 11,000 | 16,000 |
| 接触シール形 | 6204-2NSE | ||||||||||||
| シールド形 | 6204ZZE | ||||||||||||
| 6304 | 20 | 52 | 15 | 開放形 | 6304 | 20 | 52 | 15 | 1.1 | 15,900 | 7,900 | 10,000 | 14,000 |
| 接触シール形 | 6304-2NSE | ||||||||||||
| シールド形 | 6304ZZE | ||||||||||||
| 6005 | 25 | 47 | 12 | 開放形 | 6005 | 25 | 47 | 12 | 0.6 | 10,100 | 5,850 | 9,500 | 15,000 |
| 接触シール形 | 6005-2NSE | ||||||||||||
| シールド形 | 6005ZZE | ||||||||||||
| 6205 | 25 | 52 | 15 | 開放形 | 6205 | 25 | 52 | 15 | 1.0 | 14,000 | 7,900 | 9,000 | 13,000 |
| 接触シール形 | 6205-2NSE | ||||||||||||
| シールド形 | 6205ZZE | ||||||||||||
| 6305 | 25 | 62 | 17 | 開放形 | 6305 | 25 | 62 | 17 | 1.1 | 23,600 | 12,100 | 8,100 | 12,000 |
| 接触シール形 | 6305-2NSE | ||||||||||||
| シールド形 | 6305ZZE | ||||||||||||
| 6006 | 30 | 55 | 13 | 開放形 | 6006 | 30 | 55 | 13 | 1.0 | 13,200 | 8,300 | 8,000 | 13,000 |
| 接触シール形 | 6006-2NSE | ||||||||||||
| シールド形 | 6006ZZE | ||||||||||||
| 6206 | 30 | 62 | 16 | 開放形 | 6206 | 30 | 62 | 16 | 1.0 | 19,500 | 11,300 | 7,500 | 11,000 |
| 接触シール形 | 6206-2NSE | ||||||||||||
| シールド形 | 6206ZZE | ||||||||||||
| 6306 | 30 | 72 | 19 | 開放形 | 6306 | 30 | 72 | 19 | 1.1 | 26,700 | 15,000 | 6,700 | 10,000 |
| 接触シール形 | 6306-2NSE | ||||||||||||
| シールド形 | 6306ZZE | ||||||||||||
| 6007 | 35 | 62 | 14 | 開放形 | 6007 | 35 | 62 | 14 | 1.0 | 16,000 | 10,300 | 6,800 | 12,000 |
| 接触シール形 | 6007-2NSE | ||||||||||||
| シールド形 | 6007ZZE | ||||||||||||
| 6207 | 35 | 72 | 17 | 開放形 | 6207 | 35 | 72 | 17 | 1.1 | 25,700 | 15,300 | 6,300 | 9,800 |
| 接触シール形 | 6207-2NSE | ||||||||||||
| シールド形 | 6207ZZE | ||||||||||||
| 6307 | 35 | 80 | 21 | 開放形 | 6307 | 35 | 80 | 21 | 1.5 | 33,500 | 19,200 | 6,000 | 8,800 |
| 接触シール形 | 6307-2NSE | ||||||||||||
| シールド形 | 6307ZZE | ||||||||||||
| 6008 | 40 | 68 | 15 | 開放形 | 6008 | 40 | 68 | 15 | 1.0 | 16,800 | 11,500 | 6,100 | 10,000 |
| 接触シール形 | 6008-2NSE | ||||||||||||
| シールド形 | 6008ZZE | ||||||||||||
| 6208 | 40 | 80 | 18 | 開放形 | 6208 | 40 | 80 | 18 | 1.1 | 29,100 | 17,900 | 5,600 | 8,700 |
| 接触シール形 | 6208-2NSE | ||||||||||||
| シールド形 | 6208ZZE | ||||||||||||
| 6308 | 40 | 90 | 23 | 開放形 | 6308 | 40 | 90 | 23 | 1.5 | 40,500 | 24,100 | 5,300 | 7,800 |
| 接触シール形 | 6308-2NSE | ||||||||||||
| シールド形 | 6308ZZE | ||||||||||||
| 6009 | 45 | 75 | 16 | 開放形 | 6009 | 45 | 75 | 16 | 1.0 | 20,900 | 15,200 | 5,400 | 9,200 |
| 接触シール形 | 6009-2NSE | ||||||||||||
| シールド形 | 6009ZZE | ||||||||||||
| 6209 | 45 | 85 | 19 | 開放形 | 6209 | 45 | 85 | 19 | 1.1 | 32,500 | 20,500 | 5,300 | 7,800 |
| 接触シール形 | 6209-2NSE | ||||||||||||
| シールド形 | 6209ZZE | ||||||||||||
| 6309 | 45 | 100 | 25 | 開放形 | 6309 | 45 | 100 | 25 | 1.5 | 53,000 | 32,000 | 4,800 | 7,000 |
| 接触シール形 | 6309-2NSE | ||||||||||||
| シールド形 | 6309ZZE | ||||||||||||
| 6010 | 50 | 80 | 16 | 開放形 | 6010 | 50 | 80 | 16 | 1.0 | 21,800 | 16,600 | 5,000 | 8,500 |
| 接触シール形 | 6010-2NSE | ||||||||||||
| シールド形 | 6010ZZE | ||||||||||||
| 6210 | 50 | 90 | 20 | 開放形 | 6210 | 50 | 90 | 20 | 1.1 | 35,000 | 23,200 | 4,800 | 7,100 |
| 接触シール形 | 6210-2NSE | ||||||||||||
| シールド形 | 6210ZZE | ||||||||||||
| 6310 | 50 | 110 | 27 | 開放形 | 6310 | 50 | 110 | 27 | 2.0 | 62,000 | 38,000 | 4,300 | 6,400 |
| 接触シール形 | 6310-2NSE | ||||||||||||
| シールド形 | 6310ZZE | ||||||||||||
左右にスクロールできます。